!!!Распродажа
Цена розничная
Минимальная сумма заказа 10000 рублей.
Акция для розничных покупателей
Скидка 2% Оформите заказ и получите скидку на следующий!
Скидка 5% При покупке на сумму от 50000 рублей.
*Скидки не суммируются.
|
Наличный, Безналичный,
|
Самовывоз, Сдэк,
|
|---|
Описание
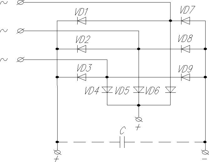
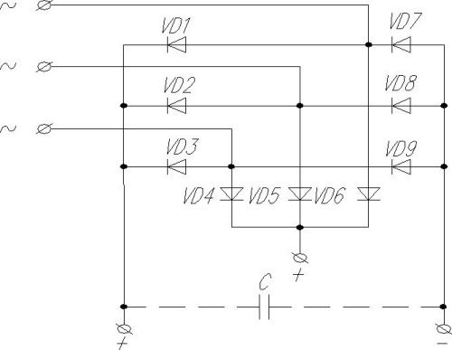
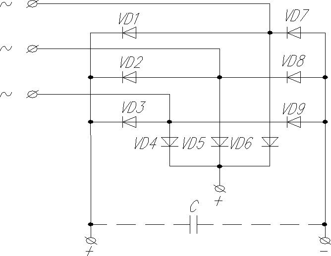
БПВ17-100-02 Блок предназначен для выпрямления переменного тока и ограничения напряжения в генераторах 6582.3701Наличие
Внимание! Изображение товара, включая цвет, могут отличаться от действительного внешнего вида. Обращаем ваше внимание на то, что все приведённые выше характеристики товара носят исключительно информационный характер и не являются публичной офертой, определенной п.2 ст. 437 Гражданского кодекса Российской федерации. Для получения подробной информации о характеристиках данного товара обращайтесь, пожалуйста, к сотрудникам нашего отдела продаж.
Ранее вы смотрели



